Loading...
×
Electrical-Cabinets-Panel1.jpg
Electrical-Cabinets-Panel.jpg

Electrical Cabinets Panel

Electrical Cabinets Panel Flooding System (DLP)
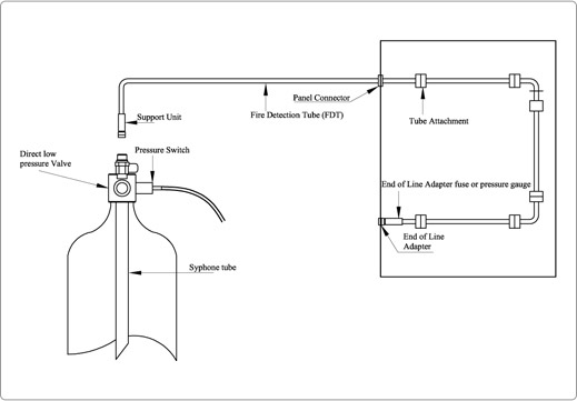
Viaan Direct Low Pressure (DLP) Pre-Engineered Fire Suppression System

Viaan’s DLP system offers simple, effective, and highly reliable fire protection specifically designed for electrical panels and enclosures. Utilizing advanced fire detection and suppression technology, this pre-engineered system ensures rapid response to incipient fires—minimizing damage and downtime.

System Overview:
The system is centered around a UL-listed Thermo-Sensitive Fire Detection Tubing (FDT) that is routed strategically throughout the electrical cabinet. This pressurized tubing acts both as a fire detection and suppression delivery mechanism.

In the event of a fire, the section of the tubing nearest to the heat source ruptures due to rising temperature. This rupture point acts as a discharge nozzle, releasing the clean agent directly at the source of the fire. The system delivers a focused, localized suppression, effectively extinguishing the fire at its origin.

This Direct Low Pressure system is also ideal for cable trays, electrical risers, and enclosed cable runs.

Key Advantages:
  • Ultra-Fast Detection & Response: Detects and suppresses fire at the earliest stage.
  • Clean Agent Suppression: Leaves no residue, safe for electronics and human exposure.
  • Non-Electrically Conductive: Ideal for electrical environments.
  • No External Power Needed: Fully mechanical operation ensures performance during power outages.
  • No Interference with Equipment Maintenance: Tubing installation does not obstruct access or service operations.
  • Environmentally Safe: Clean agents used are ozone-friendly and non-toxic.
  • Cost-Effective: Minimal maintenance and long operational life.
  • System Integration Ready: Can be easily interfaced with conventional fire alarm and control panels.

How the System Works:
  • Detection: Fire Detection Tubing (FDT) is installed along potential fire points inside the electrical cabinet.
  • Activation: The section of tubing nearest to the fire ruptures due to intense heat, creating a nozzle.
  • Suppression: The drop in pressure causes the agent stored in the cylinder to discharge through the rupture point.
  • Extinguishment: The clean agent is delivered directly at the source of the fire, extinguishing it quickly and effectively.


Electrical Cabinets Panel Flooding System (DHP)

DHP system offers advanced fire protection for electrical enclosures using a high-pressure, clean agent-based suppression system. Designed to meet international standards, the system delivers fast and reliable fire detection and suppression—ensuring maximum equipment safety and operational continuity.

System Overview:

At the heart of the system is a UL-listed Thermo-Sensitive Detection Tube, which acts as both the detection and suppression delivery mechanism. This tubing is routed around key components inside the panel, providing 360-degree protection and enabling coverage of hard-to-reach areas without altering cabinet structure.

In the event of a fire, the section of tubing closest to the heat source ruptures, instantly releasing the fire suppression agent directly at the source. This direct discharge approach allows for targeted and rapid suppression, significantly reducing the risk of fire spread or equipment damage.

Key Advantages:

  • Fast, Reliable Fire Detection
  • Immediate response at the source of the fire for early suppression.
  • CO₂-Based Suppression
  • Clean and effective—leaves no residue and is safe for equipment.
  • Seamless Integration
  • Easily installs in both new and existing panels without modification.
  • Non-Intrusive Design
  • No disruption to panel components or maintenance procedures.
  • Maintains IP Ratings
  • System design does not compromise the panel's IP (Ingress Protection) standards.
  • Electrically Non-Conductive Detection Tubing
  • Safe for use in all electrical environments.
  • Flexible Installation
  • Tubing can follow cable routes without requiring holes or structural changes.
  • Self-Contained & Power-Free
  • Does not rely on external power sources—perfect for use during outages.
  • Fire Control System Compatibility
  • Can be integrated into existing fire alarm and control systems.
  • Localized Suppression at Source
  • Unlike volume-based systems, Kanex DHP systems deliver suppression directly at the ignition point—even within airtight sub-enclosures.
  • Industry Approved
  • Trusted and endorsed by leading MCC (Motor Control Center) and VFD (Variable Frequency Drive) panel manufacturers.


Electrical Cabinets Panel Flooding System (IHP)

IHP system provides reliable and efficient fire protection for enclosed electrical panels using carbon dioxide (CO₂) as the extinguishing agent. The system is designed to flood the protected enclosure with CO₂ to achieve the necessary concentration for effective fire suppression.

This solution is ideal for protecting valuable equipment and minimizing downtime, especially in environments where clean agents may be cost-prohibitive.

System Type: INDIRECT

In the Indirect IHP System, the detection tube plays a crucial role in identifying a fire. Upon sensing elevated heat levels, the tube triggers the actuation valve, which releases CO₂ through conventional piping and discharge nozzles into the protected space.

This setup ensures:

  • Detection via the sensing tube
  • Suppression via dedicated nozzles, not the tube

This configuration allows for broader coverage and rapid, high-volume agent discharge, making it one of the most effective suppression strategies.

Key Advantages:

  • Environmentally Friendly
  • Zero Ozone Depletion Potential (ODP) and a Global Warming Potential (GWP) of just 1.
  • Clean Suppression
  • CO₂ is a non-reactive gas and leaves no residue, ensuring no post-discharge cleanup.
  • Electrically Non-Conductive
  • Safe for use around sensitive electronic equipment.
  • Economical
  • Lower refilling and maintenance costs compared to clean agent systems.
  • Dual Action Suppression
  • CO₂ extinguishes fire by cooling and displacing oxygen, cutting off the fire triangle.

Detection Tube Technology:

  • Linear Pneumatic Detection
  • Requires no external power source.
  • Highly Reliable & Compact Design
  • Flexible routing around critical components.
  • Pressurized at 16 bar
  • Rapid Activation
  • Tube ruptures at 100°C–110°C, allowing for immediate system activation.

Installation Guidelines

  • Choose the appropriate detector tube length based on the size and configuration of the enclosure.
  • The system should be designed in accordance with applicable fire safety standards.
  • Ensure even and effective CO₂ distribution throughout the protected enclosure using the indirect discharge method.


TECHNICAL SPECIFICATIONS 
Electrical Cabinets Panel Flooding System (DLP)

MODEL Specifications MODEL Specifications
Extinguishing Agent FE 36/HFC236fa
FK-5-1-12
FM 200/HFC227ea
Available Capacities 2, 4, 6 kg
Working Pressure* 13.5-15 bar Cylinder Approvals CE
Gas Approvals UL/FM/EPA SNAP


TECHNICAL SPECIFICATIONS 

Electrical Cabinets Panel Flooding System (DHP)


MODEL Specifications MODEL Specifications
Extinguishing Agent CO2-DHPAvailable Capacities 4.5, 6.5 kg capacity subject to design calculation
Working Pressure* 60-70 bar Cylinder Approvals CCOE
Gas Approvals IS: 15222 Other Applications Transformers, DG sets, Fume hoods e.t.c.,


TECHNICAL SPECIFICATIONS 

Electrical Cabinets Panel Flooding System (IHP)


S. No. DESCRIPTION SPECIFICATION
1 Make Cylinder - RAMA/EKC and valve - FireDeTec
2 Cylinder Size 4.5,6.5,9,22.5 kg (PESO approved)
3 Operating Pressure
(AT 21 °C [70 °F])
60-70 Bar [195 psig]
4 Description High pressure cylinder as per IS 7238 & PESO approved.
5 Suppression Agent CO2 gas
6 Nozzle and piping Brass nozzle and SS delivery line
7 Usage CO2 is effective for use on:
● Class B – Flammable liquid fires
● Class C – Electrical equipment fires

Go Up