Loading...
×
Server-Racks-Panel-1.jpg
Server-Racks-Panel-2.jpg

Server Racks Panel

Server Racks Panel

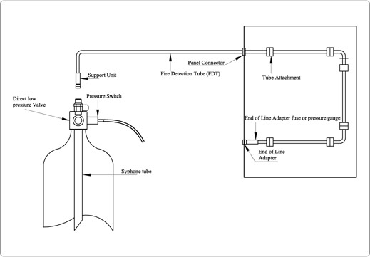
The DLP System is a compact, highly reliable fire suppression solution designed specifically to protect critical IT infrastructure such as server racks, network cabinets, and data enclosures.

This pre-engineered system utilizes direct low-pressure technology with thermo-sensitive detection tubing, offering swift fire detection and suppression at the source—before the fire can escalate and cause major damage.

How It Works:
  • Fire Detection Tubing (FDT), listed by UL, is installed inside and around the server rack to monitor for heat and flames.
  • In the event of a fire, the section of the pressurized tubing nearest the heat source ruptures.
  • This rupture forms an instantaneous discharge nozzle, releasing the clean agent fire suppressant directly at the fire origin.
  • The discharge continues until the agent is fully released, rapidly extinguishing the fire within the enclosed space.
  • This direct suppression method ensures fast and highly localized protection with minimal disruption.

Key Advantages:
  • Ultra-Fast Fire Detection
  • Clean agent is released the moment heat is detected—preventing fire spread.
  • Safe for Equipment & Environment
  • Leaves no residue, requires no cleanup, and is non-toxic.
  • Non-Electrically Conductive
  • Safe for sensitive electronics—ideal for server environments.
  • No External Power Needed
  • Fully mechanical detection and actuation make it independent of power supply.
  • Easy Integration
  • Can be connected to fire alarm control systems for broader safety automation.
  • Hassle-Free Maintenance
  • Does not interfere with routine maintenance or system operations.
  • Cost-Effective Protection
  • Budget-friendly alternative to complex traditional suppression systems.

System Workflow:
  • Heat Sensing
  • The system uses heat-sensitive tubing that detects localized temperature rise within the rack.
  • Rupture and Discharge
  • The tube ruptures at the hottest point, instantly forming a discharge nozzle.
  • Agent Release
  • The cylinder discharges its entire contents through the tube, directly onto the fire source.


TECHNICAL SPECIFICATIONS 

MODEL Specifications MODEL Specifications
Extinguishing Agent FE 36/HFC236fa
FK-5-1-12
FM 200/HFC227ea
Available Capacities 2, 4, 6 kg
Working Pressure* 13.5-15 bar Cylinder Approvals CE
Gas Approvals UL/FM/EPA SNAP

Go Up