Loading...
×
transformers-dg-set.jpg
transformers-dg-set-2.jpg

Transformers / DG set

Transformers & DG Set Flooding System (IHP)

Viaan recommends the Indirect High-Pressure CO₂ (IHP) Fire Suppression System for dry-type transformers and diesel generator (DG) sets. This system offers highly reliable, fast-acting protection tailored for industrial equipment prone to electrical and mechanical fire risks.

All critical system components comply with international standards, ensuring robust and effective fire protection for your valuable infrastructure.

System Overview:
At the heart of the system lies a UL-listed thermo-sensitive detection tube, which acts as a fire/temperature responder. The Detection Tubing is symmetrically routed around the transformer or DG set, offering 360° fire detection coverage.

For added safety, the tubing can be extended to the front of the machine to allow for optional manual activation.

Once a fire is detected:

  • The detection tube bursts at the hottest point.
  • This activates the valve on the CO₂ cylinder.
  • CO₂ is then released via a dedicated piping network through strategically placed nozzles, flooding the enclosure.
  • The CO₂ is discharged as a gentle mist, quickly reducing the oxygen concentration in the protected space and extinguishing the fire without damaging the equipment.

Key Advantages:
  • Fast, Reliable, and Cost-Effective
  • Rapid suppression within seconds, minimizing equipment damage and downtime.
  • Pre-Engineered and Easy to Install
  • Suitable for both new and existing machines without major modifications.
  • Automatic & Manual Activation
  • System triggers automatically during fire conditions and offers manual activation at the first sign of danger.
  • No False Discharges
  • Reliable detection technology eliminates unnecessary activations.
  • Smart Integration Options
  • Add a pressure switch to trigger alarms, emergency stops (E-Stop), shut down oil pumps or mist collectors.
  • No Water Damage or Contamination
  • Prevents activation of overhead sprinkler systems and protects costly lubricants and fluids.
  • Minimized Downtime, No Cleanup
  • Non-corrosive and residue-free discharge means no cleanup, no part damage, and no loss of production.

How the System Works:
System Operation Workflow:

Heat Detection
  • The Heat Sensing Tube continuously monitors the enclosure.
  • When a fire occurs, the tube bursts at the hottest point.

System Activation
  • The burst triggers the CO₂ cylinder valve, initiating agent discharge.

Agent Discharge
  • CO₂ flows through SS/copper/braided piping and is released through engineered nozzles placed throughout the enclosure.

Fire Suppression
  • The oxygen level is rapidly reduced, extinguishing the fire at its origin.


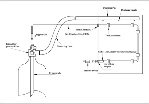
Transformers & DG Set Flooding System (ILP)

  • Indirect Low Pressure (ILP) Fire Suppression System
  • Recommends the Indirect Low Pressure (ILP) System for dry transformers and generators, delivering fast and reliable fire protection.
  • All major components comply with international standards, ensuring dependable early fire detection and suppression.
  • The UL-listed thermo-sensitive detection tube is the core of the system, responding immediately to any fire or temperature rise within the enclosure.
  • The bright red detection tubing is routed throughout the protected zone, enhancing reaction time and minimizing machine damage.
  • Detection tubing can be extended to the front of the equipment for optional manual activation.
  • Large nozzles discharge a high volume of clean agent gas to rapidly suppress fires at their source.

Key Features

  • Fast, reliable, and cost-effective fire suppression
  • Automatic activation suppresses fire in seconds, reducing damage and downtime
  • Pre-engineered system easy to install on new or existing equipment
  • No costly false discharges
  • Manual release option for operator activation at first sign of trouble
  • Optional pressure switch to trigger alarms and emergency stops on machines, pumps, and collectors
  • Extinguishing agents do not contaminate metalworking fluids or lubricants
  • Prevents activation of overhead sprinklers, avoiding collateral damage
  • Minimizes downtime, eliminates cleanup, and prevents loss of production or clients


TECHNICAL SPECIFICATIONS 
Transformers & DG Set Flooding System (IHP)


MODEL Specifications MODEL Specifications
Extinguishing Agent CO2-IHP Capacity 4.5, 6.5, 9, 22.5, 45 kg
Working Pressure 60-70 bar Cylinder Approvals CCOE
Gas Approvals IS: 15222 Other Applications

Panels, Fume hoods e.t.c.

TECHNICAL SPECIFICATIONS 

Transformers & DG Set Flooding System (ILP)

    MODEL Specifications MODEL Specifications
    Extinguishing Agent FE 36/HFC236fa
    FK-5-1-12
    FM 200/HFC227ea
    Capacity 2, 4, 6 kg
    Working Pressure 13.5-15 bar Cylinder Approvals CE
    Gas Approvals UL/FM/EPA SNAP

    Go Up